Condition

Millsurp Shooter
The 7.62x25mm Tokarev was created out of the desire to create a Russian version of the venerable 7.63×25 Mauser round. The Tsarist Army and later the Red Army both utilized the German round in many conflicts.
During joint operations with the Weimar Republic during the 1920’s the Russian forces admired the qualities of the round. Fielded in battle many times, including both sides of the Russian Civil War, the Soviet Union created what would be called the 7.62x25mm Tokarev in 1930.
The round would go on to see wide popularity in many Soviet Satellite States as well as China. Today it stands as a storied round with use in many conflicts from the trenches of WWII and beyond.

Table of Contents
Make Ready for War
The Soviet Artillery Committee proposed the creation of a cartridge based off of the German Mauser round that had served so well before in 1929. While the Podolsky Ammunition Factory already was licensed by the Germans to produce Mauser rounds, the Russians wanted more control and domestic production. Thus, with the German cartridge as their model they set about creating a new round for their forces. After extended research and development to improve upon the base cartridge, the initial version of the round entered into full scale production in 1930.
The 7.62x25mm Tokarev improved upon the German design with better velocity and on target performance. The velocity was increased to over 1,700 FPS, compared to the 1,450 FPS that could be expected from the German round. The result was a more than 150 ft.lb of force increase, 560 up from 402, though in the real world this increase would see little practical effect on an unarmored target.
After the outbreak of World War II, the Russians favored this round for its excellent performance when faced with light ballistics vests. Even today anything below a Level IIIA can’t defeat this round.
Due to the use of this round in both handgun and sub-machine guns many variants of the ammunition were created. Armor piercing, tracer and incendiary rounds were all created. The Soviet P-41 is a 74 grain, steel core variant with incendiary capabilities. This was commonly used in the PPSh-41 and the PPS-43, both fielded in WWII. The Chinese would also create their own variant, the 7.62mm Type P. The Type P was a subsonic spitzer version to be used with suppressed weapon platforms.
A Fall Into Disuse

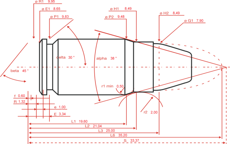
Dimension drawings of the bullet and case, via Francis Flinch
As WWII ended and the world fell into the Cold War, a new caliber was called for. The Red Army wanted to replace the TT-33 handgun, as they felt the old workhorse could be improved upon. At the same time a new round for the new pistol was called for and the German connections to the cartridge became a glaring problem.
Germans who captured Russian weapons in WWII were able to use not only the captured Russian ammo but theirs as well, given the almost identical nature of the two rounds. With the new mandate that NATO forces, be unable to use captured ammunition stockpiles, the 7.62x25mm Tokarev saw the sun beginning to set on its use.
Some forces do use it to this day, however. Russian Special Forces, Pakistani, and Chinese Military are known to continue to field the round. Likely due to the sheer volume of surplus rounds that these countries had developed over the years during WWII and the early parts of the Cold War.
7.62x25mm Tokarev Loading Data
While most firearms chambered for this weapon have been declared obsolete, many shooters still enjoy access to surplus firearms that are chambered in this round. The Chinese made many clones of the TT-33, known commonly as the Type 54 or Norinco Type 54.
Of the shelf purchasers may be able to find ammo from PPU, Sellier & Bellot, Wolf, as well as Winchester. However, it should be noted that these ammo types are limited to full metal jacket rounds only. The aging round simply had no defensive use when the only selections to fire it out of are WWII surplus, the odd inherited battlefield trophy, and Chinese imports. As a note from the author, unless you really know your gunsmithing, if you are planning on taking Granpa’s battlefield pickup out to the range you should have a qualified gunsmith take a look under the hood first.
Imported surplus was, at one time, a viable option, however in 2015 the stores seemed to have dried up. Couple that with current import bans and the price of what limited surplus ammo is left has hit the roof.
A common misconception that still haunts ranges and gun clubs today is that the surplus 7.62x25mm Tokarev that is floating around the US is actually steel core ammo. This is not the case. The myth goes that they have mild steel cores and are copper plated, with the ability to damage steel targets or ricochet back at the shooter. In reality the only mild steel 7.62×25 Tokarev ammo is available on the international market. Federal law defines these as armor piercing pistol ammo and explicitly bans them from import.
What is sold in the US as “steel-core” is in reality lead core rounds with a copper washed steel jacket. These rounds have little functional difference from a standard lead and copper FMJ round. The steel target and the shooter are both safe from all surplus 7.62x25mm Tokarev ammo in the US so long as they follow basic safety rules.
In addition to scarcity issues shooters will find surplus ammo inconsistent. Many different countries manufactured the ammo, and velocities can range from 1300 fps to 1800 fps.
Hand loaders actually find themselves with a couple of options when loading for this round. Starline offers proper factory cases for this round. Also, 9mm Winchester Magnum brass and 5.56x45mm brass are both able to be reformed for this round but will need to be reamed. With the brass being cut down where the case walls are thicker excess brass from the walls will need to be removed.
If this is not done the lower-case volume will cause an increase in the pressure of the round and a possible “catastrophic” malfunction. Hand loaders should also note that many TT-33, CZ-52, Mauser C-96, and C-30 “Broom handle” pistols will have oversized bores. .308” or .309” bullets may be needed, with .311” possible to produce worthwhile accuracy.
Dogs of War
Being both a pistol and sub-machine gun round the 7.62x25mm Tokarev was fielded in a variety of weapons. The most well know is the Tokarev TT-33 pistol.
The TT-33 was the standard service sidearm of the Soviet Union from the early 1930’s until the mid 1960’s. The TT-33 can be found today mostly as a collector’s item. The Chinese clone, the Tokarev Model 213, is more common in the States. The TT-33 was replaced because of a tendency to drop the magazine due to recoil as well a desire for a lighter weapon.
The Chinese however cloned this pistol and created the Type 54. This would go on to be the basis for other pistols created by the Chinese, however the more common 9mm would become the DeFacto caliber for later versions.

For sub-machine guns the PPD-40 was the first gun of this type to utilize the round. The PPSh-41, however, soon replaced the PPD-40 as the main sub-machine gun of the Red Army in WWII trenches. The PPS-43, a far simpler 7.62×25 Tokarev sub-machine gun, almost replaced the PPSh-41 as well, however, a complete change over proved impractical, and the idea was scrapped. After WWII the 7.62x25mm Tokarev saw use in the Russian PP-19 Bizon and the East German WG66.
For those with a Mosin in 7.62x54r there are chamber sleeves available that will allow you to shoot the 7.62x25mm Tokarev out of your Mosin. Some users have noted that these sleeves can get stuck in the chamber and may have to be fished out.
Chamber sleeves were a common solution for many who wanted to use other calibers in their firearms. While still seen in some survival rifles and the odd shotgun, chamber sleeves have largely fallen into disuse.
Aging Out
The future of the 7.62x25mm Tokarev looks bleak. Most of the weapons that have been chambered for it are all but museum pieces now. Even those looking for an inexpensive surplus gun are better served by a Mosin or more popular caliber.
Once a glorious round that served the “Red Army and Mother Russia” (this is mandatory to read in a terrible Russian accent), even its home country has moved on to other rounds. Despite the continued production of off the shelf ammo, large foreign stockpiles, and limited continued use in foreign countries, the glory days are long over. The 7.62x25mm Tokarev is an old veteran with many stories to tell but its past can do little to save it today.

